Author Topic: water pump bolt lenght?  (Read 3076 times)

mcibmw533

  • Newbie
  • *
  • Thank You
  • -Receive: 0
  • Posts: 38
    • View Profile
water pump bolt lenght?
« on: April 24, 2014, 05:20:19 PM »
I'm trying to figure out how long the lower right bolt (when looking at the pump & motor from the front) is that holds the pump in place.  It was nice enough to shear off when I removed the old pump and I'm not sure how far to drill it out.  I tried using an easy-out bit with no luck.  Now I have to figure out how to fill the hole and re-tap it, while keeping it properly centered, so I can secure the water pump. Any suggestions?  The motor is currently out of the car on a cherry picker so acces is pretty easy.

Thanks,
Micah
Current Garage:
1932 BMW Dixi body (to receive custom frame someday)
1977 530it yellow (t is for truck - ask me for photos if you don't believe it)
1991 318is slicktop alpine white
2004 X5 4.8is LeMans Blue Metallic

Slowered318

  • Full Member
  • ***
  • Thank You
  • -Receive: 9
  • Posts: 222
    • View Profile
    • My '91 318is
Re: water pump bolt lenght?
« Reply #1 on: April 24, 2014, 08:58:33 PM »
Why don't you just use a Heli-Coil, that way you can keep the original bolt length.

mcibmw533

  • Newbie
  • *
  • Thank You
  • -Receive: 0
  • Posts: 38
    • View Profile
Re: water pump bolt lenght?
« Reply #2 on: April 25, 2014, 01:14:36 PM »
Heli-coil works great (already used 10 on the valve cover) and it's the same M6x1.0 as nearly all the rest bolts on this block.  But I have to get the broken shaft of the bolt out first in order to insert the heli-coil.  That's why I was trying to figure out the original bolt length so I don't overdrill.  I actually drilled it out last night, although a little off center thanks to the soft aluminum of the block and inserted a heli-coil.  I'll find out this weekend if I have any alignment issues for re-bolting the water pump back on, but it's at most 1 mm over (I think it will stretch...).

What's weird is when I pulled the old water pump the blades were intact but there were several plastic pieces floating around inside.  Must have been from a previously destroyed water pump.  Hopefully I was able to flush them all out.
Current Garage:
1932 BMW Dixi body (to receive custom frame someday)
1977 530it yellow (t is for truck - ask me for photos if you don't believe it)
1991 318is slicktop alpine white
2004 X5 4.8is LeMans Blue Metallic

Slowered318

  • Full Member
  • ***
  • Thank You
  • -Receive: 9
  • Posts: 222
    • View Profile
    • My '91 318is
Re: water pump bolt lenght?
« Reply #3 on: April 26, 2014, 12:11:37 AM »
Heli-Coil is not exactly a middle shelf item, sorry to assume you were not aware of them.

1mm off sounds like you did a decent job, I've done worse on virgin metal due to a bad drill bit. You can always bore out the water pump side to compensate.

It's most likely the plastic ended up in the heater core or some crevice in the motor. I heard their is a bolt to drain the coolant somewhere on the block, can anyone verify this, it would be a possible place to check for bits and built up gunk.


mabeer

  • Full Member
  • ***
  • Thank You
  • -Receive: 8
  • Posts: 124
    • View Profile
Re: water pump bolt lenght?
« Reply #4 on: April 26, 2014, 07:13:38 AM »
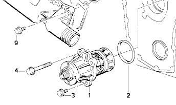
Are you talking about #3 in the picture?  If so it's 20mm.


mcibmw533

  • Newbie
  • *
  • Thank You
  • -Receive: 0
  • Posts: 38
    • View Profile
Re: water pump bolt lenght?
« Reply #5 on: April 27, 2014, 03:37:13 AM »
Heli-Coil is not exactly a middle shelf item, sorry to assume you were not aware of them.

1mm off sounds like you did a decent job, I've done worse on virgin metal due to a bad drill bit. You can always bore out the water pump side to compensate.

It's most likely the plastic ended up in the heater core or some crevice in the motor. I heard their is a bolt to drain the coolant somewhere on the block, can anyone verify this, it would be a possible place to check for bits and built up gunk.



I actually found out about the heli-coils from my stand-up jet-ski days.  The annoying part is they don't come with middle of the shelf pricing either, but they've saved my butt a few times in the past.  They are handy and a pretty good system as long as you can get the tapered black plastic piece up to the block or whatever you're inserting the heli-coil into.

There does appear to be a little bit of meat around the bolt hole in the water pump.  We'll have to see if it'll cooperate and slip on or if some extra boring is necessary.

I figure/hope all or at least enough the plastic pieces are out now.  It didn't overheat when I drove the car home from Portland to Seattle and they were all in there then (unknown to me).  A drain plug of sorts would be nice insurance though, I'll have to search around for that.

Are you talking about #3 in the picture?  If so it's 20mm.


That looks like it's the bolt.  I'm probably around that depth with the heli-coil installed - kind of figured if I can get full depth into a heli-coil it should be fine.  I was just hoping it wasn't as long as #4 in the picture, but that's a much bigger bolt.

Thanks everyone,

Micah
Current Garage:
1932 BMW Dixi body (to receive custom frame someday)
1977 530it yellow (t is for truck - ask me for photos if you don't believe it)
1991 318is slicktop alpine white
2004 X5 4.8is LeMans Blue Metallic