Car won't start - not CPS or Fuel pump

Author Topic: Car won't start - not CPS or Fuel pump  (Read 31316 times)

lindol

  • Newbie
  • *
  • Thank You
  • -Receive: 0
  • Posts: 44
    • View Profile
Car won't start - not CPS or Fuel pump
« on: April 29, 2009, 02:18:42 AM »
Hi everyone, I tried asking this question on a longer thread started by CobraJet and didn't get any replies, so I am starting a new thread. Last Friday I went to town without a problem, but when a few hours had passed and it was time to leave I cranked and cranked and cranked some more and in the end had to tow the car home as it just would not fire up.
I have been using the information below to guide me, but I am getting some results that I need help interpreting, I hope the author or others can help! I'll put my comments/questions below in bold and some bright color so you can all see where I am having problems.



Quote from: ak96ss;47710
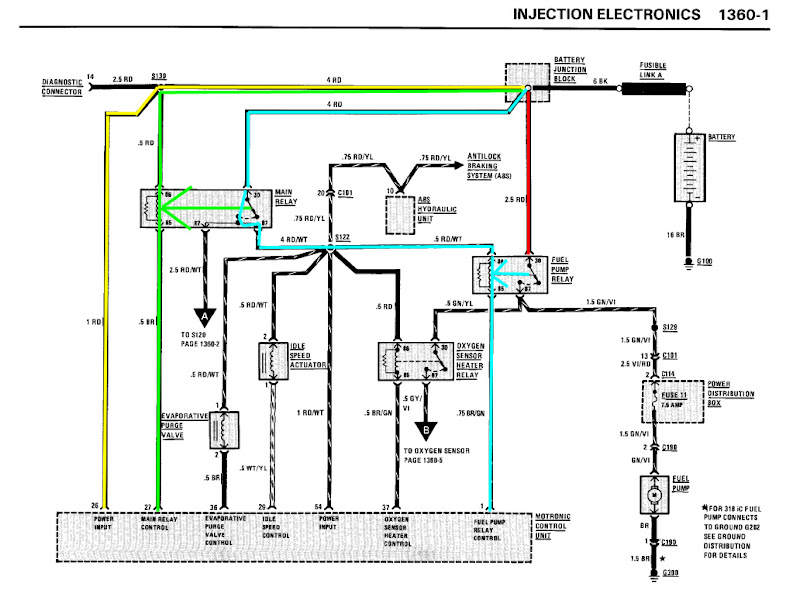
I concur, it may very well be the crank position sensor, but to confirm that you are in fact getting power to the pump, let's go over how the start circuit works for the fuel pump (as I understand it, anyway!).

Power comes from the junction block down the yellow line to the DME all the time, but the DME doesn't send it into the starting circuit until it senses that you have the key on. So, the blue, green, and red lines have power, but aren't doing anything with it yet.

I have verified that I have power to pin 26 of the DME(Yellow), and I've also verified that there is power at pin 86 and 30 of the MAIN relay as well as pin 30 of the FUEL relay. This is before turning on the key!




When you turn the key to the ON position, it grounds the green line at port 27 (Main Relay Control), causing the green line to have power all the way through the main relay via tabs 85 and 86.



This energizes the coil and pulls the relay closed, sending power through the main relay from tab 30 to tab 87, and from there to (among other places) the fuel pump relay's tab 86. But the fuel pump relay's tab 85 is still not grounded, so power doesn't go through yet.

Here's where the problem occurs for me, I can feel the MAIN relay switch close and power goes from pin 30 to 87, but I cannot see power at pin 85 of the MAIN relay??? Therefore,my green circuit is not complete/energised from pin 85 to pin 27 of the DME.




The DME checks to make sure that the engine is rotating using the crank position sensor - when it sees that the engine is in fact moving, it grounds the fuel pump relay control at port 1, completing the blue circuit.

have checked both the Crank position sensor and the cam position sensor, they read 550 and 1200 with my multimeter. I also have removed a spark plug, connected it to the wire and witnessed it sparking while the engine was being cranked. I understand that to confirm the CPS is working correctly, or?





Now that the blue circuit has power going through it, the fuel pump relay coil pulls in, energizing the red line and sending power through tabs 30 and 87 to fuse 11.



Assuming fuse 11 is good, power goes to the fuel pump, and it starts pumping fuel.

If the crank position sensor is malfunctioning, the DME won't know that the engine is turning, so it won't turn on the fuel pump.


So, to systematically test and make sure that the circuits are working as they should, start with a fused jumper wire at the fuel pump relay. I actually use a switched, fused jumper, so I can turn it on and off from the engine area. For all of these tests, when I say 'ignition on' I mean in the RUN position, not the ACCESSORY position.

First, exchange fuse 11 with another fuse (same or lower amp rating, never higher). Just in case the fuse is bad, but still looks OK. It's rare, but it does happen. See if it will start. If not...

Remove the fuel pump relay. Insert one end of your jumper wire into the hole where tab 30 goes, and the other end into the hole where tab 87 goes. With the ignition on, the pump should start pumping. If it does not, but your fuel pump works when hooked directly to +12V, then you have a problem in the wiring between the fuel pump relay and the fuel pump.

My pump does NOT start pumping with the jumper wire, is this related to my earlier question regarding pin 85 of the MAIN relay? However, when I removed the pump from the car and applied 12V to it the pump ran


If that works, but it doesn't when the relay is in, you may have a bad relay. You can test the relay by applying +12V to tab 86 and grounding tab 85. Now check continuity between tabs 30 and 87 - there should be virtually no resistance. If there is a lot of resistance, or there is no continuity, replace the relay.

If the relay works, it may very well be the crank position sensor. Get out your multimeter and check the hole where tab 86 of the fuel pump relay goes. With the key on, there should be +12V there. If there is, then I would strongly suspect the crank position sensor.

If there isn't, you'll have to do the same tests on the main relay.


Looking forward to any help I can get, I have been working on this for 4 days now without reaching a meaningful conclusion. Nearly forgot to mention, there is a part in the engine compartment that is buzzing whenever the key is turned ON, I believe this is the ICV and that buzzing is what I want??[/QUOTE]

lindol

  • Newbie
  • *
  • Thank You
  • -Receive: 0
  • Posts: 44
    • View Profile
Further Inputs
« Reply #1 on: April 29, 2009, 02:17:17 PM »
Hi again, could really use some input here.;)

I have tested the main relay and the fuel pump relays using the following test methods.





They both tested OK!

So, that leaves me with a situation where my Main relay works, current flows in at pin 86 and creates the magnetic field that closes the switched side of the relay(from pin 30 to 87). Energy moves through the Main relay via these pins to pin 86 of the Fuel Pump relay.
Now comes the issue---when I use my test lamp on pin 85 of either the Main relay or the Fuel pump relay I don't get a light!
What I think is happening is that there isn't a ground available at the other end of the brown wires connecting to pin 85 of these two relays. If true, could that mean that the DME is faulty as pin 85 from both relays go to DME pins(pin 27 for the MAIN and pin 1 for the Fuel relay)???

I'm puzzled and now wonder is there any way to test the DME?:confused:

ak96ss

  • Can't remember his way cool title
  • Administrator
  • Legendary
  • *****
  • Thank You
  • -Receive: 1
  • Posts: 1378
    • View Profile
Car won't start - not CPS or Fuel pump
« Reply #2 on: April 29, 2009, 06:00:27 PM »
AFAIK, the only way to test the DME is to swap in a known working one. I'm thinking I'd start with making sure you have a good ground there, and if so, swap in another one and see what that does for you.

Anyone else have thoughts?
=============================================
We're here to preserve democracy, not practice it.
[INDENT]- Captain Frank Ramsey, Crimson Tide[/INDENT]
=============================================

John in MD
uh, it's a '91 318is, like everyone else...

roundel318

  • Hero Member
  • *****
  • Thank You
  • -Receive: 0
  • Posts: 512
    • View Profile
working 175 ecu available for use for test
« Reply #3 on: April 30, 2009, 12:01:44 AM »
i have a spare sitting around that is known working / good, pay for shipping both ways and i can toss it in the mail if you need.
send me a PM if interested.

roundel318

  • Hero Member
  • *****
  • Thank You
  • -Receive: 0
  • Posts: 512
    • View Profile
Car won't start - not CPS or Fuel pump
« Reply #4 on: April 30, 2009, 12:03:11 AM »
also the momentary buzz when key is turned from acc to on under the hood could be the fuel reg / pump in the fuel rail priming for start, not sure on that however.

lindol

  • Newbie
  • *
  • Thank You
  • -Receive: 0
  • Posts: 44
    • View Profile
Car won't start - not CPS or Fuel pump
« Reply #5 on: April 30, 2009, 03:01:08 AM »
Quote from: ak96ss;71096
AFAIK, the only way to test the DME is to swap in a known working one. I'm thinking I'd start with making sure you have a good ground there, and if so, swap in another one and see what that does for you.

Anyone else have thoughts?


Is the ground established via the case, so as long as it's firmly secured to the bracket the ground should be good?
If so, then there could only be a problem inside the DME if the ground isn't working?
Or, is the ground established through a ground wire in the wire harness to the DME?
« Last Edit: April 30, 2009, 03:25:57 AM by lindol »

lindol

  • Newbie
  • *
  • Thank You
  • -Receive: 0
  • Posts: 44
    • View Profile
Car won't start - not CPS or Fuel pump
« Reply #6 on: April 30, 2009, 03:10:18 AM »
Quote from: roundel318;71123
also the momentary buzz when key is turned from acc to on under the hood could be the fuel reg / pump in the fuel rail priming for start, not sure on that however.


The buzzing I'm getting is constant with the key in the ON position. I'm not sure if it's the fuel regulator or the ICV, it is located very near the firewall. Here's a picture, perhaps someone can confirm what this is, it's the black cylinder in the center of the picture thats buzzing.





If that's not the ICV, where is it and if it's not buzzing could that be causing my problem?
« Last Edit: April 30, 2009, 04:54:10 AM by lindol »

lindol

  • Newbie
  • *
  • Thank You
  • -Receive: 0
  • Posts: 44
    • View Profile
Car won't start - not CPS or Fuel pump
« Reply #7 on: April 30, 2009, 04:51:48 AM »
Quote from: lindol;71131
Is the ground established via the case, so as long as it's firmly secured to the bracket the ground should be good?
If so, then there could only be a problem inside the DME if the ground isn't working?
Or, is the ground established through a ground wire in the wire harness to the DME?


OK, think I may have answered my own question after finding this in the M42Reference section of this site:

Quote from: Gunni;15087
Motronic Control unit      
   Function   Color
1   Fuel Pump Relay   BR/GN
2      
3   Injectors 1-3   BR/WT
4      
5      
6   Ground   BR/OR
7      
8   Check Engine light   BR
9      
10      
11      
12   TPS Signal 5v   BR
13      
14   Common 5v   GY/BU
15      
16   Camshaft sensor input   YL
17   Fuel rate output   WT
18      
19      
20      
21      
22      
23      
24   Ignition cyl 3   BK
25   Ignition cyl 1   BK
26   Power Input   RD/WT
27   Main Relay control   BR
28   Ground   BR/OR
29   Idle Speed Control   WT/YL
30      
31      
32   Injectors 2-4   BR/WT
33      
34   Ground   
35      
36   Charcoal Canister control   BR
37   O2 relay control   BR/GN
38      
39      
40      
41   AFM Input (5v)   GY/YL
42      
43   Common 5v Coolant and TPS   BR/BK
44   Camshaft sensor input   BK
45      
46      
47      
48      
49      
50      
51   Ignition cyl 4   BK
52   Ignition cyl 2   BK
53      
54   Power Input   RD/WT
55   Ground   
56   Start Input   GN/YL
57      
58      
59   Refrence output (Ground??)   GY/WT
60      
61      
62      
63      
64      
65      
66      
67   Crankshaft input sensor   BK
68   Crankshaft input sensor   YL
69      
70   O2 Input   BK
71   O2 Ground   YL
72      
73   Speed Signal input   BK/WT
74   Engine Speed Output   
75      
76      
77   Air temp input   GY/VI
78   Coolant temp input   BR/RD
79      
80   Diagnostic voltage   GN/BU
81      
82      
83      
84      
85   A/C Input   BK/GY
86   A/C Input   BK/VI
87   RXD Diagnostic   WT/YL
88   TXD Diagnostic   WT/VI


I did these yesterday as I was working on my adapter for my standalone I´m installing, Although I will probably cut up the adapter as it´s only held on with  solder and well I wasn´t getting the perfect soldering as I wanted,

I figured I´d throw these on the board for you guys,
This is directly based on the E30_92.pdf file,
the 91 one was empty of all information,

Enjoy


Thanks to Gunni, I can now check the grounds that are listed here(pinout 6, 28, 34, 55) and see if there is a problem with any of them!:

:D

fazerfreak

  • Newbie
  • *
  • Thank You
  • -Receive: 0
  • Posts: 18
    • View Profile
Car won't start - not CPS or Fuel pump
« Reply #8 on: April 30, 2009, 05:44:42 AM »
hi.

new user here with 40hours fresh foult seeking on my M40 doe to selfmade error..

so if you have power on pin 30 on fuelpump-relay and short it (hardjump) to pin 87 on fuelpump relay you just did what the relay should do, if fuse is "ok" then fuel pump should have  power.

Have you checked that there is power on pump ( under rear seat) ??  you could power the pump dicet to check it, and in same time lossen the fuel line on engine and try fill up a bottle, should be quick.

sorry my not so good english ;-)
Tommy
-------------------------------------------
My E36 M40 Prodject in norwegian, sorry, but pictures :D
My E36 M40 in M42club

lindol

  • Newbie
  • *
  • Thank You
  • -Receive: 0
  • Posts: 44
    • View Profile
Car won't start - not CPS or Fuel pump
« Reply #9 on: April 30, 2009, 10:00:09 AM »
Ok, I've checked for continuity of the wires for ground (pinout 6, 28, 34, 55), they all gave a good result. After that I double checked pin 1 and 27 - remember these are coming from the Fuel Pump Relay and the Main Relay, they also gave a good result for continuity. Next, I can have a look inside the Motronic box to see if there are any soldering faults to find. If not, then I suspect the Motronic unit itself, it's a 175 ECU.

Thanks to Roundel318 for your kind offer to loan your 175 ECU, but I'm afraid the postage to and from Sweden would be prohibitive so I'll see about trying to find another a little closer.

I'll report what I find later...

lindol

  • Newbie
  • *
  • Thank You
  • -Receive: 0
  • Posts: 44
    • View Profile
Car won't start - not CPS or Fuel pump
« Reply #10 on: April 30, 2009, 10:03:08 AM »
Quote from: fazerfreak;71134
hi.

new user here with 40hours fresh foult seeking on my M40 doe to selfmade error..

so if you have power on pin 30 on fuelpump-relay and short it (hardjump) to pin 87 on fuelpump relay you just did what the relay should do, if fuse is "ok" then fuel pump should have  power.

Have you checked that there is power on pump ( under rear seat) ??  you could power the pump dicet to check it, and in same time lossen the fuel line on engine and try fill up a bottle, should be quick.

sorry my not so good english ;-)


Hi and thanks for your idea, I've done as you suggest and indeed I get power to the pump, I also had the pump out of the car and it pumped fuel all over my hand, so it works:)

lindol

  • Newbie
  • *
  • Thank You
  • -Receive: 0
  • Posts: 44
    • View Profile
Car won't start - not CPS or Fuel pump
« Reply #11 on: April 30, 2009, 11:41:47 AM »
Had a look inside the Motronic box, couldn't find any soldering problems, nor did I see any leaking capacitors or anything else that seemed suspicious.
Had loads of helpful suggestions from the neighbors like, " Why not tow the car to the dealer so they can read the fault code?" Kinda defeats the purpose of fixing it as cheaply as possible, as I'm currently out of work I really don't want to spend money if I don't have to, especially now that I have the time to investigate it myself.

However, with regards to reading the fault codes, I understand that there is a stomp test that will give a coded reply. I was wondering which of the instrument lights gives this code, is it number 7 in the picture?



Thing is that, that has never lit up as long as I've had the car, so I'll have to see what's wrong with that in order to find out what's wrong with the start issue. Can someone please confirm that number 7 is the one that gives the codes up?

Thanks:o

ak96ss

  • Can't remember his way cool title
  • Administrator
  • Legendary
  • *****
  • Thank You
  • -Receive: 1
  • Posts: 1378
    • View Profile
Car won't start - not CPS or Fuel pump
« Reply #12 on: April 30, 2009, 02:03:13 PM »
In my car (which is a U.S. version), there is no bulb in the #7 slot - the light that illuminates with the stomp test is (IIRC, my car is down right now) the one to the left of #9.
=============================================
We're here to preserve democracy, not practice it.
[INDENT]- Captain Frank Ramsey, Crimson Tide[/INDENT]
=============================================

John in MD
uh, it's a '91 318is, like everyone else...

romeomike

  • Full Member
  • ***
  • Thank You
  • -Receive: 2
  • Posts: 127
    • View Profile
Glad to help, and I see some one got here just ahead of me
« Reply #13 on: April 30, 2009, 02:06:53 PM »
Quote from: lindol;71141
Had a look inside the Motronic box, couldn't find any soldering problems, nor did I see any leaking capacitors or anything else that seemed suspicious.
Had loads of helpful suggestions from the neighbors like, " Why not tow the car to the dealer so they can read the fault code?" Kinda defeats the purpose of fixing it as cheaply as possible, as I'm currently out of work I really don't want to spend money if I don't have to, especially now that I have the time to investigate it myself.

However, with regards to reading the fault codes, I understand that there is a stomp test that will give a coded reply. I was wondering which of the instrument lights gives this code, is it number 7 in the picture?



Thing is that, that has never lit up as long as I've had the car, so I'll have to see what's wrong with that in order to find out what's wrong with the start issue. Can someone please confirm that number 7 is the one that gives the codes up?

Thanks:o


No, the codes will come from the check engine light which is two positions over to the left from number 9 in your graphic. Stomp test is to put the ignition in run, fully and quickly press and release the gas pedal five times. You should get one flash of the red check engine light, then a series of four flashes for each code. You know you have the entire sequence when you get the single flash, then the entire sequence repeats itself. The no-fault detected condition is 1-4-4-4.

If the red check engine light doesn't illuminate with the ignition in run, then check for a burned out lamp (2721 is the part number) and mercifully it's one you can get to with a pair of long-nosed pliers without having the remove the instrument panel. Had to do that on a 1990 325i convertible.
On Christ the solid Rock I stand, all other ground is sinking sand. (Edward Mote 1797-1874)

lindol

  • Newbie
  • *
  • Thank You
  • -Receive: 0
  • Posts: 44
    • View Profile
Car won't start - not CPS or Fuel pump
« Reply #14 on: April 30, 2009, 03:09:33 PM »
Ok, thanks for the inputs, but, just to verify, is it the apostrophe or the circle with the arrow that will give the code?

 

Thank you!:)