I'm getting rid of my PS...

Author Topic: I'm getting rid of my PS...  (Read 4318 times)

GrippyDrifty

  • Full Member
  • ***
  • Thank You
  • -Receive: 0
  • Posts: 182
    • View Profile
I'm getting rid of my PS...
« on: April 10, 2006, 12:50:25 AM »
thanks for your comments/responses regarding my leaky rack (double entendre:p ).

Well, after reading the following write up on e30tech, I am going PS less.

 http://kbdlock.ath.cx/~atmh/e30/powersteer.html

But, I thought of a short cut for the time being. It is much easier to just remove the pump and loop the hoses that went to the pump. That way, since I am obviously having a leakage problem, I could top it up easier if necesary. I will be runnning some lucas stop leak through it before I remove the pump, for some peace-of-mind. I'm sure this will get rid of my leak issue and give me a free MANUAL rack!!!!:D

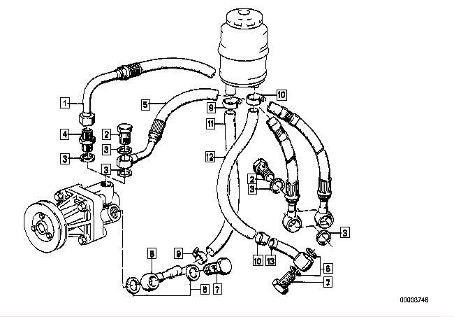
Check out the diagram:

asubimmer

  • Legendary
  • ******
  • Thank You
  • -Receive: 0
  • Posts: 1192
    • View Profile
I'm getting rid of my PS...
« Reply #1 on: April 10, 2006, 01:38:24 AM »
sounds cool, let us know how hard the parking lots ect. are
///Alpinweiß II 24v 91\' 318is, 2004 Yamaha R6 SE for sale, 00\' VW GTi, 83\' El Camino BURNED, 2001 P71sold, 92\' Miatasold
[IMG]http

GrippyDrifty

  • Full Member
  • ***
  • Thank You
  • -Receive: 0
  • Posts: 182
    • View Profile
I'm getting rid of my PS...
« Reply #2 on: April 10, 2006, 01:55:31 AM »
Oh, trust me, I'll let you know how parking goes. I live in SF--one of the crappiest cities to live in regarding parking.:(

sheepdog

  • Site Admin
  • Administrator
  • Legendary
  • *****
  • Thank You
  • -Receive: 4
  • Posts: 1272
    • View Profile
I'm getting rid of my PS...
« Reply #3 on: April 10, 2006, 11:44:04 AM »
Forget the stop leak.

On racks, it will not only not work, but will likely make the problem worse. I added some leak stop to mine, it helped at first, but after it only got worse.
"When trouble arises and things look bad, there is always one individual who perceives a solution and is willing to take command. Very often, that individual is crazy." --Dave Berry

kowalski

  • El\' Duder
  • Administrator
  • Legendary
  • *****
  • Thank You
  • -Receive: 3
  • Posts: 1368
    • View Profile
I'm getting rid of my PS...
« Reply #4 on: April 10, 2006, 12:15:32 PM »
do not use stop leak, it will wreck ur pump and clogg your rack. i'v ran it through twice and my pump went twice, now i just disconnected it.
Sale:
EBC Green stuff pads = $60 shipped front and rear set available


Send $ to: kroeker.michael @ gmail.com

Fore Sale Thread

GrippyDrifty

  • Full Member
  • ***
  • Thank You
  • -Receive: 0
  • Posts: 182
    • View Profile
I'm getting rid of my PS...
« Reply #5 on: April 10, 2006, 02:11:00 PM »
Ok.  Thanks for the advice. I'll just remove the PS pump and loop the line without the stop leak. Without the pressure from the pump, it should'nt leak anyways.